Airsoft için AEG Motor Uzun Kısa Eksen
stil: Yüksek Torklu Motor
Tip: D tipi Motor dişlisi
Hız: 25000-28000RPMsürüm: Ver.2/3
Kullanım aralığı: Yalnızca AEG Airsoft
Açıklama
Airsoft için AEG Motor Uzun Kısa Ekseni 30000 rpm'de çalışacak şekilde derecelendirilmiştir. Airsoft motorları, daha fazla güç ve performans için CNC ile işlenmiş parçalardan üretilmiştir ve tümü, en son teknolojik gelişmeleri içerecek şekilde geliştirilmiştir; daha geniş bir motor seçeneği yelpazesi sağlamak için sürekli bir çaba, seçici airsoft oyuncularının herhangi bir özel durum için en iyi çözümü bulmasına olanak tanır. Programı yükseltin. Airsoft motorları, bugün ulaşılabilir olanın zirvesinde, bugün piyasadaki Airsoft motorlarının en iyi özellikleriyle tasarlanmıştır. Ultra düşük gürültü, ultra yüksek tork, veriler özelleştirilebilir.
Şirketin Öne Çıkanları


genel bakış
Garanti | 3ay-1yıl |
Anavatan | Guangdong, Çin |
Marka adı | Vshida |
Model numarası | VSD-480WA-8515G |
| kullanım | Airsoft Sanayi |
| Tip | Airsoft motoru |
Ağırlık | TBD (farklı oran farklı ağırlık) |
Bileşenler | çeşitlendirilmiş |
İnşaat | Kalıcı Mıknatıs |
komütasyon | Fırçasız/Fırçasız |
Koruma Özelliği | özelleştirilmiş |
| Ürün adı | mikro motor |
anma gerilimi | 11.1 V |
Başlangıç Akımı | 95 A |
| Nem testi | yüzde 40 -80 yüzde |
| Yük hızı yok | 29000±8 yüzde dev/dak |
| Ödeme şartları | yüzde 30 avans, yüzde 70 bakiye |
| Eleştir | CE |
özelleştirilmiş | kabul edildi |
Ürün Açıklaması

Bağımsız Ar-Ge ekibimiz her ay en az bir yeni motor geliştiriyor.
Ürün Parametresi
| Müşteri | YÜKSÜZ | MAKS VERİMLİLİKTE | AHIR | |||||
| MODEL | HIZ | AKIM | HIZ | AKIM | TORK | EFF | AKIM | TORK |
| rpm | A | rpm | A | g.cm | yüzde | A | g.cm | |
| VSD-480WA-8013G | 29820 | 2.4 | 19000 | 15.1 | 495 | 70.7 | 95 | 3600 |
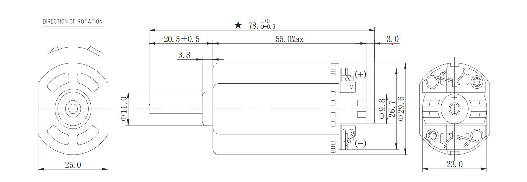
Ürün boyutu

Performans eğrisi

Yukarıdaki bilgiler yalnızca bilgilendirme amaçlıdır; belirli bir mikro airsoft motorun tipi ve özellikleri değiştirilebilir.
Ürün Detayları
| Yüzde 100 gerçek fotoğraflar |
|
Rotor: Mükemmel sıcaklık direnci, kaliteli bir demir çekirdek, sargılı saf bakır tel ve düşük akım direnci. | Rulmanlar: D mil, daha hızlı montaj ve daha az kaymaya meyilli (talebe göre özelleştirilebilir) | |
| Yüzde 100 gerçek fotoğraflar |
|
Uç kapağı: Ürün ömrünü uzatmak, ısı dağılımını artırmak ve motorun rotorunu düzeltmek için yüksek kaliteli hammaddeler kullanın. | Şasi: Yüksek sertlik, yüksek sıcaklık direnci, korozyon direnci, aşınma direnci ve pas direncine sahip yüksek kaliteli malzemelerin kullanılması daha uzun hizmet ömrü sağlar. |
Ürün özelliği
1. Sarmal rotor, karbon/yağ kalıntısı oluşumunu önlerken motoru serin tutmak için havayı içeri çeker.
Airsoft için 2.AEG Motor Uzun Kısa Eksen, pinyon dahil yüksek performanslı mıknatıslar kullanır
3. 12V'a kadar pil paketleri için uygundur
4.12V Önerilen Yay Derecesi: M80-M170
5. M120 yayının güvenli atış hızı: 25 artı /{3}} mermi
6. M130 yayı kolayca çekebilme
7. Basit değiştirme için mükemmel D-cut çıkarılabilir pinyon dişlisi
Şirket Gücü



Ürün Sertifikası

Başvuru

Mikro airsoft motorlar birçok kullanım durumu için özelleştirilebilir ve çok geniş bir kullanım alanına sahiptir. Herhangi bir özel gereksiniminiz varsa bizimle iletişime geçin.
Ortaklarımızdan bazıları

Taşıma Paketleme

İdeal karton boyutu ve darbeye dayanıklı köpük ambalaj. Herhangi bir özel paketleme hizmetine ihtiyacınız varsa lütfen bizimle önceden iletişime geçin.
Tedarik Yeteneği
Tedarik Yeteneği: 200000 Adet/Günde Adet dc motor, karşı ağırlıklı
Köpük kutu iç ölçüleri 350x265x280mm'dir.
Dış kartonun boyutları: 365*275*320mm.
350 adet; 16.7 kilogram
Ödeme ve Teslimat

Yüksek torklu motor (HT) Açıklama
AEG airsoft tabancanızda daha ağır bir yay kullanmak istiyorsanız, yüksek torklu motor harika bir motordur. Ayrıca yüksek tork, daha hızlı bir tetik tepkisi verecek ve 120 veya daha düşük bir yay kullanırken motorunuzun aşırı ısınmasına yardımcı olacaktır.
Her zaman olduğu gibi, AEG'yi yükseltmek, dişli kutusunu sökmek için gerekli beceri ve tekniği gerektirir, gerekirse uzmanlığa danışın.
Tüm HT'ler, AEG'nin pnömatik sistemi ile bağlantısı olmadığı için FPS'yi hiç artırmaz, tek yaptığı RPS ve tetik tepkisi eklemektir. Daha verimli çalışırlar, hızlanmak için zamana ihtiyaç duymazlar ve oldukça hızlı tetikleyiciye sahiptirler. tepki. Yüksek hızlı vitesler kullanıyorsanız (12:1, 13:1, 16:1) her zaman yüksek tork alın. Bununla, tetik tepkiniz harika olacaktır. Bu motordaki Kısa aks, onu çoğu Versiyon 3 tabanca ile uyumlu hale getirir. Bu canavardan en iyi şekilde yararlanmak için büyük bir tip nimh pile veya lipoya (7.4v veya 11.1v) ihtiyacınız olacak.
Soruşturma göndermek
Bunları da sevebilirsiniz
















